电压增压器,干式变压器,智能工业稳压器,直流电源生产厂家
咨询热线0576-84871773
台州力威电源科技有限公司
台州力威


DC1000V高压输入DC/DC电源模块

专注于中小功率模块电源、定制电源产品的研发、生产、销售和服务的技术型企业。主要产品有通用类AC-DC模块电源、定制类AC-DC电源、通用类DC-DC 定压模块电源、宽 压 DC-DC 模块电源、光伏电源、工业电气产品控制板等数款具备完全自主知识产权的特色产品。
咨询热线:0576-84871773
微信咨询 在线留言
产品介绍

DC-DC 电源

超宽电压输入,隔离稳压单路输出

功率有 50W,100W,120W,150W,200W,260W,300W,350W,400W,500W,1000W

产品特点

1. 超宽电压输入:300-1500VDC          4.输入欠压保护、输入防反接保护

2. 高可靠性、长寿命                             5.输出过流保护、输出短路保护

3.输入与输出隔离                                  6. 适用于自动化控制、光伏发电等各种工业和民用领域


DC1000V高压输入DC/DC电源模块

DC/DC电源模块特性曲线图

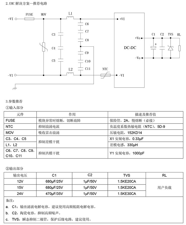
EMC解决方案

网站首页
联系电话
咨询热线 0576-84871773
  • · 电压高怎么办?
  • · 电压低怎么办?
  • · 电压不稳怎么办?
  • · 需要变压/调压/稳压?
在线留言
回到顶部